Applications
Industrial & Auto
Industrial Solution
Industrial Overview
Solution Stacks
Lattice Automate
Lattice Drive
Lattice mVision
Lattice sensAI
Lattice Sentry
Automotive
Automotive Overview
ADAS / Driver Assistance
Functional Safety
Infotainment
Quality & Reliability
Factory Automation
Functional Safety
Machine Vision
PLCs
Robotics
Other Industrial
Medical
Video Surveillance
Embedded
Holoscan Sensor Bridge Solutions
Comms & Computing
Client Computing
Notebooks / PCs
Printers
Tablets
Solution Stacks
Lattice mVision
Lattice ORAN
Lattice sensAI
Lattice Sentry
Datacenter Systems
Platform Firmware Resiliency
Servers
OCP Ready Solutions
Storage
Switches
Wireless
5G Open RAN
HetNet Small Cells
Low Power Radios
Millimeter Wave Radios
Wireline
10 Gbps Ethernet MAC
Hitless Updates
Intelligent SFP
RGMII to GMII Bridge
Consumer
Prosumer Electronics
IoT & Wearables
VR Head Mounted Display
Smart Home
Consumer Robots & Toys
Home Control & Security
Solution Stacks
Lattice mVision
Lattice sensAI
Aerospace & Defense
Avionics and UAVs
Avionics
UAVs
Solution Stacks
mVision
sensAI
MILCOM
Software Defined Radio
Satellite Communications
Space
New Space
Launchers
Guidance Systems
Missiles
Smart Munitions
Edge AI
Edge AI Solution
Edge AI Overview
Security
FPGA-Based Security
Security Overview
Solution Stacks
Lattice Sentry
Products
FPGAs & Other Devices
Control & Security FPGA
MachXO5-NX
Mach-NX
MachXO4
MachXO3D
MachXO3
MachXO2
L-ASC10
Platforms
Lattice Avant
Lattice Nexus
Lattice Nexus 2
General Purpose FPGA
Avant-X
Avant-G
Avant-E
Certus-N2
CertusPro-NX
Certus-NX
ECP5 & ECP5-5G
Ultra Low Power FPGA
iCE40 UltraPlus
iCE40 Ultra
iCE40 UltraLite
iCE40 LP/HX
Video Connection FPGA
CrossLinkU-NX
CrossLink-NX
CrossLinkPlus
CrossLink
VIEW ALL DEVICES →
Software Tools
Software Tools
Lattice Diamond
Lattice Propel
Lattice Radiant
Lattice sensAI Studio
Lattice sensAI EVE SDK
Software Licensing
VIEW ALL SOFTWARE TOOLS →
Solutions
Solutions
Community Sourced
Demos
IP Cores
IP Modules
Kits & Boards
Reference Designs
Programming Hardware
Embedded
Solution Stacks
Solution Stacks Overview
Lattice Automate
Lattice Drive
Lattice mVision
Lattice ORAN
Lattice sensAI
Lattice Sentry
VIEW ALL SOLUTIONS →
Support
Support
Support
Knowledge Base
Submit / Review Support Tickets
Customer Information Request
EXPLORE HELP CENTER →
Software Licensing
Software Licensing
Licensing Support Center
IP Licensing Support
New IP License Request
IP License Bundles
Academic License Request
Quality & Reliability
Quality & Reliability
Quality & Reliability Information
Export Classification Information
Product Change Notifications (PCNs)
Part Number Reference Guide
Customer Information Request
Services
Design Services
Lattice Design Group
Product Services
Secure Supply Chain
Lattice SupplyGuard
Training
Lattice Insights
Discontinued Products
Mature & Discontinued Devices
Legacy Devices & Software
Legacy Products
FPGA Software Archive
Silicon Image Software Archive
Lattice Partner Network
Partner Program
Program Overview
Find Partners
Explore Partner Solutions
Partner Type
IP Cores
Design Services
Boards
Programming Services
EDA
Embedded
Buy
Americas Sales
Sales Locator
Brazil
Canada
Mexico
Puerto Rico
USA
VIEW ALL →
Europe & Africa Sales
Sales Locator
Finland
France
Germany
Israel
Italy
Norway
Spain
Sweden
United Kingdom
VIEW ALL →
Asia Pacific Sales
Sales Locator
Australia
China
India
Indonesia
Japan
Singapore
South Korea
Taiwan
Vietnam
VIEW ALL →
Online Store
Lattice Products
Silicon Devices
Software, Cables, & Boards
BUY ONLINE →
Discontinued Products
Discontinued Products
Rochester Electronics
Arrow Electronics
Blog
About Lattice
About Lattice
About Lattice
About the Company
Corporate Stewardship
Contact Us
Investor Relations
Investor Relations
Investor Overview
Online Investor Kit
Investor FAQ
Board Of Directors
Management
Corporate Governance
SEC Filings
Quarterly Earnings
Analysts
Ethics
Newsroom
Newsroom
Announcements
Blogs
Upcoming Product Events
Image Library
Video Library
Webinar Library
Media Contacts
Careers
Careers
Careers Homepage
Search Job Openings
Our Benefits
Sign In
Register
en
Home
>
Lattice Solutions
Lattice Solutions
Everything you need to quickly and easily complete your design
Share This Result >
General Purpose
Includes all ECP
Video Connection
Includes all CrossLink
Ultra Low Power
Includes all iCE
Control & Security
Includes all MachXO
IP Cores
Boards
Reference Designs
Demonstrations
Lattice sensAI
Machine Learning
Lattice mVision
Image Processing
Lattice Sentry
PFR Root of Trust
View All
Narrow Your Results
Solution Type
Boards
Demos
IP Cores (32)
Reference Designs (3)
Device Support
Avant-E (4)
Avant-G (4)
Avant-X (4)
Certus-N2 (3)
Certus-NX (19)
CertusPro-NX (27)
CrossLink-NX (11)
ECP5 / ECP5-5G (1)
LatticeECP2/M (2)
LatticeECP3 (1)
LatticeSC/M (3)
LatticeXP2 (3)
MachXO2 (2)
MachXO3 (3)
MachXO3D (3)
MachXO5-NX (6)
Tags
AHB (35)
AHB-L (1)
AHB-Lite (9)
AMBA (18)
APB (9)
ARM (2)
Automotive (6)
Avionics (2)
AXI (10)
AXI-Lite Interface (1)
Bus Controllers (3)
Camera (3)
CAN (1)
Data CODEC (1)
Data Communication (1)
DDR Memories (2)
DDR SDRAM (1)
Defense (3)
DMA (4)
Ethernet (2)
Ethernet Bundle (1)
Flash (1)
FMC (3)
FTDI (1)
GPIO Control (1)
HyperRAM (1)
I2C (2)
Image Processing (1)
JTAG (1)
Lattice Avant (1)
Lattice Drive (1)
Launchers (4)
LPDDR4 (1)
LVDS (1)
Memory Controller (2)
Memory Controller Bundle (1)
MIPI (1)
MPCS (1)
MPESTI (1)
NAND Flash (1)
OCP (1)
PCI (3)
PCIe (2)
PCIe Bundle (2)
PCS (1)
PHY (1)
PMA (1)
RISC-V (6)
RPC DRAM (1)
RTL (2)
Satellite Communications (4)
SD Memory (2)
SDR (2)
SDRAM (1)
Security (1)
SLVS (1)
SLVS-EC (1)
Soft Processor (5)
Space (4)
SPI (2)
SPI Flash (4)
UART (2)
ULPI (2)
USB (1)
USB Type-C (1)
USB2 (5)
USB3 (2)
Providers
Bluespec (1)
Citrobits (1)
Eureka (2)
Frontgrade Gaisler (17)
Lattice (11)
SLS (3)
Clear All
IP Core
USB 2.0/3.2 IP Core
Lattice USB 2.0/3.2 IP Core provides a solution to interface with a USB host and can be targeted to the Lattice CrossLink-NX FPGA Devices.
CrossLink-NX
USB
,
USB2
,
USB3
,
AHB
,
AHB-L
,
AHB-Lite
,
AXI
,
I2C
,
SPI
,
JTAG
,
LVDS
,
SLVS
,
FTDI
IP Core
PCI Express for Nexus FPGAs
The Lattice PCIe IP Core provides a flexible, high-performance, easy-to-use Transaction Layer Interface to the PCI Express Bus.
CrossLink-NX
,
Certus-NX
,
CertusPro-NX
,
MachXO5-NX
APB
,
AHB
,
AHB-Lite
,
RTL
,
PCI
,
PCIe
,
Bus Controllers
,
Defense
,
Automotive
,
PCIe Bundle
,
SDR
IP Core
PCI Express for Avant and Nexus 2 FPGAs
The Lattice PCIe X8 IP Core provides a flexible, high-performance, easy-to-use Transaction Layer Interface to the PCI Express Bus.
Avant-G
,
Avant-X
,
Certus-N2
AXI
,
AHB
,
AHB-Lite
,
RTL
,
PCIe
,
Bus Controllers
,
Defense
,
Automotive
,
Lattice Avant
,
PCI
,
PCIe Bundle
,
SDR
,
Avionics
Reference Design
MPESTI Initiator Reference Design
MPESTI Initiator Reference Design provides the solution template which is compliant with the MPESTI Base Specification.
Avant-E
,
MachXO5-NX
,
MachXO3
,
MachXO3D
MPESTI
,
UART
,
APB
,
AHB
,
RISC-V
,
OCP
Reference Design
APB to AHB-Lite Bridge Reference Design
The APB to AHB-Lite Bridge Reference Design provides an interface between the low power APB and the high-speed AHB-Lite.
MachXO3D
,
MachXO3
,
MachXO2
APB
,
AHB
,
AMBA
Reference Design
I2C to APB Bridge Reference Design
With support APB read / write capability, the I2C to APB Bridge Reference Design converts external I2C Master into APB Master transaction.
MachXO2
,
MachXO3
,
MachXO3D
I2C
,
APB
,
AMBA
,
AHB
IP Core
Internal Flash Controller IP Core
The Lattice Internal Flash Controller for MachXO5-NX IP Core has a system bus interface to access the registers.
MachXO5-NX
AHB
,
AHB-Lite
,
Security
,
Automotive
,
Flash
IP Core
Memory Controller IP Core
The Memory Controller IP reduces the effort required to integrate the LPDDR4 memory controller with the user application design.
CertusPro-NX
,
Avant-E
,
Avant-G
,
Avant-X
,
MachXO5-NX
,
Certus-N2
LPDDR4
,
DDR SDRAM
,
APB
,
AHB
,
Memory Controller
,
Automotive
,
Memory Controller Bundle
,
Lattice Drive
,
Avionics
IP Core
RISC-V Single Core Linux (SCL) Processor
RISC-V Single Core Linux processor includes everything required for running Linux on Lattice FPGAs and supports the RV32IMAC and RV32GC architecture.
CertusPro-NX
RISC-V
,
Soft Processor
,
DDR Memories
,
AHB
,
AHB-Lite
,
AMBA
,
AXI
,
GPIO Control
,
UART
IP Core
SLVS-EC Receiver IP Core
The SLVS-EC RX IP provides the FPGA an interface to receive serial data from CMOS Image Sensors and offers a solution to convert the incoming serial data to a parallel pixel data format.
CertusPro-NX
SLVS-EC
,
APB
,
AHB
,
AMBA
,
PMA
,
PCS
,
MPCS
IP Core
SPI Flash Memory Controller IP Core
The SPI Flash Memory Controller IP Core provides an industry-standard interface between a CPU and an off-chip SPI flash memory device.
CertusPro-NX
,
Certus-NX
,
CrossLink-NX
,
Avant-E
,
Avant-G
,
Avant-X
,
MachXO5-NX
SPI
,
SPI Flash
,
AHB-Lite
,
AHB
,
APB
,
Memory Controller
,
Automotive
IP Core
USB 2.0 Device Controller IP Core (USB20SF)
USB20SF IP core provides FIFO interface for Data Endpoints while AHB Lite interface for Control Endpoint. This IP core supports High Speed and Full Speed modes
CrossLink-NX
,
CertusPro-NX
ARM
,
RISC-V
,
Soft Processor
,
FMC
,
AHB
,
AHB-Lite
,
AXI
,
Camera
,
ULPI
,
USB2
IP Core
USB 2.0 Device IP Core – Software Based Control (USB20SR)
USB20SR IP Core is a fully controlled by firmware via AHB-Lite interface. This IP Core supports High Speed, Full Speed and Low Speed functionality as well.
Certus-NX
,
CertusPro-NX
AHB
,
AHB-Lite
,
RISC-V
,
ULPI
,
USB2
,
Soft Processor
,
FMC
,
Camera
,
PHY
IP Core
USB 3.2 Gen 1 Device Controller IP Core (USB32SF)
This IP core solution uses the FPGA’s built-in transceiver for USB 3.2 and ULPI PHY for USB 2.0. It supports SuperSpeed, High Speed and Full Speed modes.
CrossLink-NX
,
CertusPro-NX
ARM
,
RISC-V
,
Soft Processor
,
FMC
,
AHB
,
AHB-Lite
,
AXI
,
USB Type-C
,
USB3
,
Camera
,
Image Processing
,
MIPI
IP Core
Tri-Speed Ethernet IP Core
The TSEMAC IP core have the logic, interfacing & clocking infra to ably integrate an external industry-standard Ethernet PHY with an internal processor
ECP5 / ECP5-5G
,
LatticeECP3
,
LatticeECP2/M
,
LatticeXP2
,
LatticeSC/M
,
CrossLink-NX
,
Certus-NX
,
CertusPro-NX
,
MachXO5-NX
,
Avant-E
,
Avant-G
,
Avant-X
,
Certus-N2
Data Communication
,
Ethernet
,
Defense
,
Automotive
,
APB
,
AXI
,
AXI-Lite Interface
,
AHB
,
Ethernet Bundle
IP Core
EP550: SD / SDIO / MMC Host Controller
Host controller for SD memory card, SDIO and MMC interface
LatticeXP2
,
LatticeSC/M
AHB
,
SD Memory
IP Core
EP560: SD / SDIO / MMC Slave Controller
A slave controller for SD memory card, SDIO and MMC interfaces
LatticeECP2/M
,
LatticeXP2
,
LatticeSC/M
AHB
,
SD Memory
IP Core
AHB2AHB IP Core
The uni-directional AHB/AHB bridge is used to connect two AMBA AHB 2.0 buses clocked by synchronous clocks with any frequency ratio. The bridge is connected through a pair consisting of an AHB slave and an AHB master interface.
CertusPro-NX
,
Certus-NX
AHB
,
AMBA
IP Core
AHB2AXIB IP Core
This bridge allows to access an AXI3 or AXI4 slave from an AHB bus through an AHB 2.0 slave interface. The bridge has an AHB slave interface on the AHB side and AXI3 or AXI4 master interface on the AXI side.
CertusPro-NX
,
Certus-NX
AHB
,
AMBA
,
AXI
IP Core
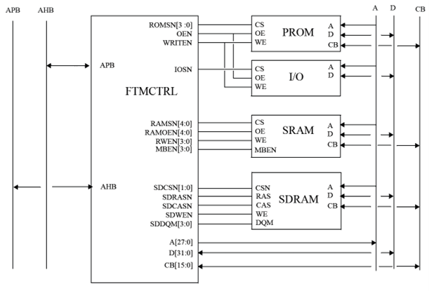
FTMCTRL - Combined PROM/IO/SRAM/SDRAM Memory controller with EDAC IP Core
Combined PROM/IO/SRAM/SDRAM Memory controller with optional EDAC. The PROM, SRAM and SDRAM areas can be EDAC-protected using a (39, 7) BCH code. The EDAC provides single error correction and double-error detection for each 32-bit memory word.
CertusPro-NX
,
CrossLink-NX
,
Certus-NX
SDRAM
,
AHB
Page 1 of 2
First
Previous
1
2
Next
Last
X
Share This Solution Result
a
Copy Link