DFPIC165X: High Performance 8-bit RISC Microcontroller

DCD LogoThe DFPIC165X is a low-cost, high performance, 8-bit, fully static soft IP Core, dedicated for operation with fast memory (typically on-chip). The core has been designed with a special concern about low power consumption.

The DFPIC165X is software compatible with the industry standard PIC16C54, PIC16C55, PIC16C56, PIC16C57 and PIC16C58. It employs a modified RISC architecture (2 times faster than original implementation).

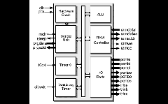
The DFPIC165X have enhanced core features and configurable hardware stack. The separate instruction and data buses allow a 12 bit wide instruction word with the separate 8 -bit wide data. The DFPIC165X typically achieve a 2:1 code compression and a 8:1 speed improvement over other 8-bit microcontrollers in its class. The Core has 24 I/O lines and an 8-bit timer/counter with an 8- bit programmable prescaller.

The power-down mode SLEEP allow user to reduce power consumption. User can wake up the controller from SLEEP through an user reset or watchdog overflow. An integrated Watchdog Timer with it's own clock signal provides protection against software lock-up.

The DFPIC165X Microcontroller fits perfectly in applications ranging from high- speed automotive and appliance motor control to low-power remote transmitters/receivers, pointing devices and telecom processors. Built-in power save mode and small used area in programmable devices make this IP perfect for applications applications with space and power consumption limitations.

DFPIC165X is delivered with fully automated testbench and complete set of tests allowing easy package validation at each stage of SoC design flow.

Features

  • Software compatible with industry standard PIC16C5X
  • Harvard architecture 2 times faster compared to original implementation
  • 33 instructions
  • 12 bit wide instruction word
  • Up to 256 bytes of internal Data Memory
  • Up to 4K bytes of Program Memory
  • Configurable hardware stack
  • Power saving SLEEP mode
  • Fully synthesizable, static synchronous design with no internal tri-states
  • Scan test ready

Jump to

Block Diagram

Performance and Size

Device Speed grade Fmax LUTs PFUs
XP -5 67 MHz 620 171
ECP -5 74 MHz 620 171
EC -5 74 MHz 620 171

Ordering Information

This IP core is supported and sold by DCD, contact DCD at support@dcd.pl or visit their website at www.dcd.pl for more information.